Водогрейный котел КВа-4,0 тепловой мощностью 4,0 МВт предназначен для выработки тепловой энергии для систем отопления, горячего водоснабжения и вентиляции промышленного и бытового назначения.
Котел КВа-4,0 работает с принудительной циркуляцией воды при рабочем давлении до 0,6 МПа (6 кгс/см2) и температурой нагрева вода до 95ºС, может работать в закрытых и открытых системах и предназначен для работы с непрерывным расходом воды.
Котел КВа-4,0 предназначен для камерного сжигания природного газа и жидкого топлива (мазут, дизельное топливо, сырая нефть, топливо печное бытовое).
Котел КВа-4,0 устанавливается в районных и производственных отопительных котельных в роли главного источника отопления. Котел КВа-4,0 работает с уравновешенной тягой, которую обеспечивает вентилятор и дымосос. В зависимости от вида устанавливаемой горелки вентилятор либо входит в состав блочной горелки, либо устанавливается дополнительно.
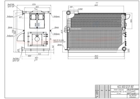
Котел КВа-4,0 состоит из опорной рамы, горелки и трубной системы в легкой изоляции и обшивке.
В состав трубной системы котла КВа-4,0 входит топочная камера и конвективный блок. Конвективный блок располагается над топочной камерой.
Для доступа в топочную камеру котла для осмотра и текущего обслуживания внизу заднего экрана установлен люк ревизии.
Для очитки конвективных пакетов на фронте котла установлены распашные двери.
На котле установлено три взрывных клапана для защиты от взрыва горючих газов: один на боковой поверхности котла – для защиты топочной камеры; два на фронтальных распашных дверях – для защиты конвективного блока.
Горелка подбирается в зависимости от вида и параметров сжигаемого топлива.
Горелка устанавливается на съемный топочный фронт, выполненный из огнеупорного бетона.
Котел КВа-4,0 поставляется одним блоком и не требует дополнительных работ по теплоизоляции и обшивке котла на месте установки.
ТЕХНИЧЕСКИЕ ХАРАКТЕРИСТИКИ
|
Номинальная теплопроизводительность, МВт (Гкал/ч)
|
3,0(2,59)
|
|
Вид сжигаемого топлива
|
Природный газ, жидкое топливо
|
|
Расчетный вид топлива
|
Природный газ
|
|
Теплота сгорания расчетного топлива, ккал/м3
|
7960
|
|
Расчетный расход топлива, м3/ч
|
356,4
|
|
Теплота сгорания жидкого топлива, ккал/кг
|
9680
|
|
Расход жидкого топлива, кг/ч
|
293,4
|
|
Коэффициент полезного действия, %, не менее
|
91
|
|
Рабочее давление воды, МПа (кгс/см2)
|
0,6 (6,0)
|
|
Расчетное давление воды, МПа (кгс/см2)
|
0,6 (6,0)
|
|
Пробное давление воды, МПа (кгс/см2)
|
0,9 (9,0)
|
|
Температура на входе в котле, °С
|
70
|
|
Температура воды на выходе из котла, °С
|
95
|
|
Гидравлическое сопротивление, МПа (кгс/см2)
|
0,13 (1,3)
|
|
Расход воды через котел, м3/ч, не менее
|
103,45
|
|
Водяной объем котла, м3
|
2,18
|
|
Поверхность нагрева котла, м2
|
91
|
|
Объем топочной камеры, м3
|
6,83
|
|
Температура уходящих газов, °С, не более
|
235
|
|
Аэродинамическое сопротивление котла, Па
|
550
|
|
Масса блока котла, кг, не более
|
6150
|
|
Срок службы, лет, не менее
|
10
|
Комплект поставки КВа-3,0-95
|
Наименование
|
Кол.
|
|
Блок котла в легкой обмуровке
|
1
|
|
Рама котла стальная
|
1
|
|
Затвор дисковый Ду-150, Ру16
|
2
|
|
Кран шаровый Ду-15, Ру-16
|
компл.
|
|
Клапан предохранительный 17с28нж, Ду-80, Ру-0,35/0,7
|
2
|
|
Термометр в оправе ТТЖ-М 0-150
|
2
|
|
Манометр МП 3У Ру-10
|
2
|
|
Кран трехходовой 11б18бк, Ду-15, Ру-16
|
2
|
|
Техническая эксплуатационная документация
|
1 компл.
|